E-Mail
otosafak@otosafak.com.tr
Telefon
+90 326 221 80 72
/
+90 555 277 28 33
Adres
Yeni Sanayi Sitesi 6. İniş 2.Cadde
Anasayfa
Hakkımızda
Ürünlerimiz
Hizmetlerimiz
Bakım & Onarım
Jeneratör
Galeri
İletişim
FATİH
PRO
OTOKAR
FORD
PRO 518
PRO 522
PRO 620
PRO 624
PRO 625
PRO 822
PRO 827
PRO 832
PRO 935
PRO 1142
Fatih 110-08
Fatih 170-25
Fatih 180
Fatih 200-26
Fatih 220-26
Fatih 270
Fatih 280
Sultan
Atlas
1833
2533
1846
F-Max
Anasayfa
Hakkımızda
Ürünlerimiz
Fatih
Pro
Otokar
Hizmetlerimiz
Bakım & Onarım
Jeneratör
Galeri
İletişim
FATİH 170-25
Anasayfa
Ürünlerimiz
FATİH 180
Hepsi
Soğutma Sistemleri
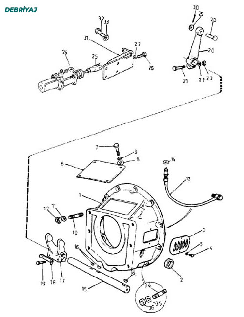
Debriyaj
Vites Kutusu
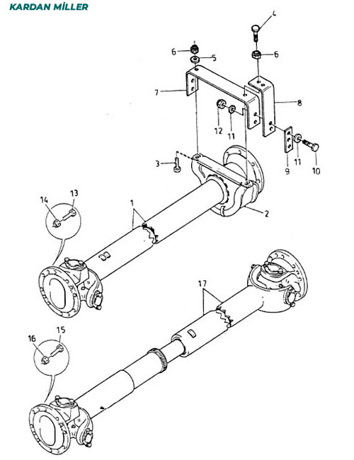
Kardan Milleri
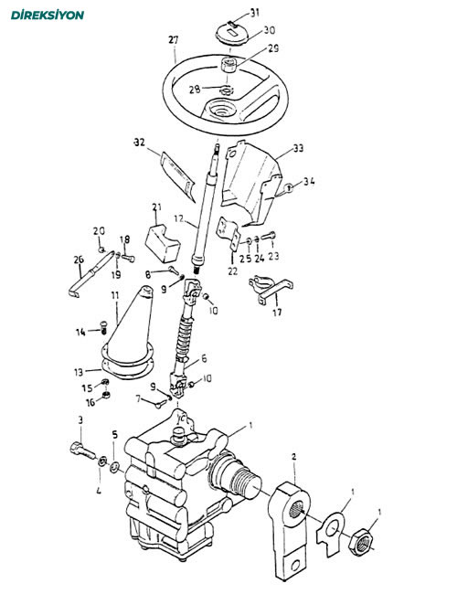
Direksiyon Sistemleri
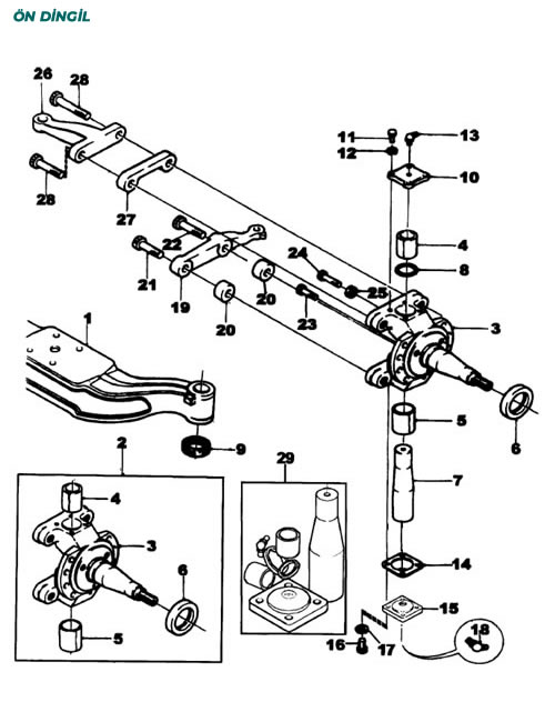
Ön Dingil
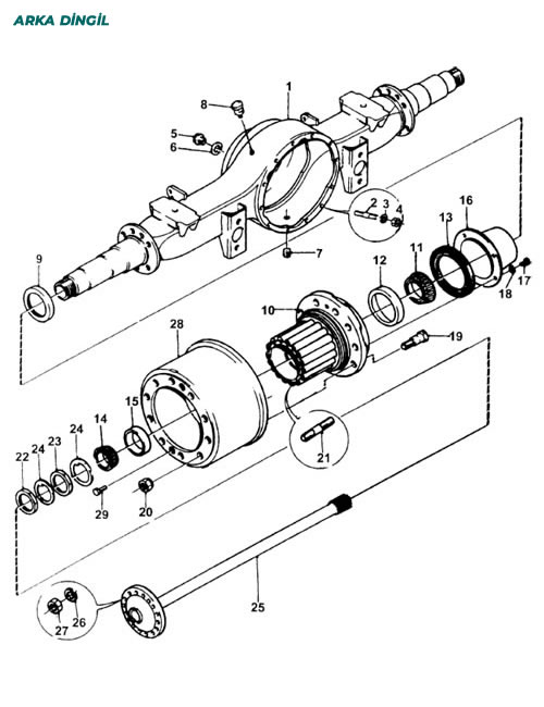
Arka Dingil
Fren
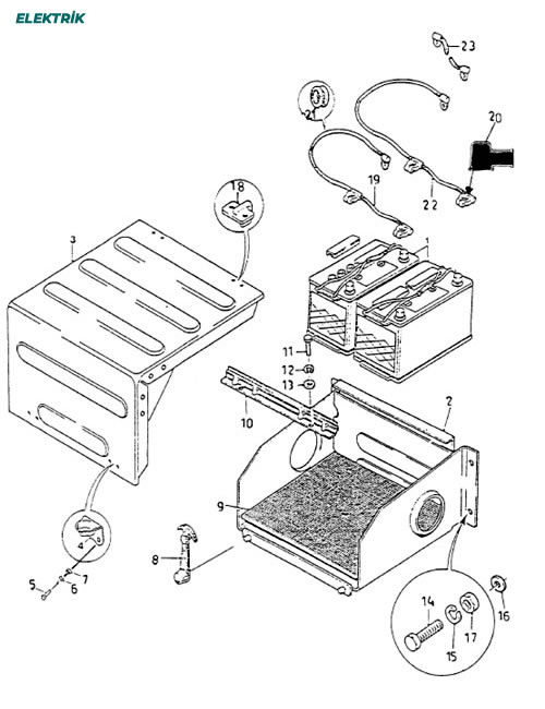
Elektrik
Şasi & Sürücü Kabini
Yakıt Sistemleri
FATİH
Fatih 110-08
Fatih 170-25
Fatih 180
Fatih 200-26
Fatih 220-26
Fatih 270
Fatih 280
Soğutma Sistemi
Debriyaj
Sistemleri
Vites Kutusu
(Şanzuman)
Kardan
Milleri
Direksiyon
Sistemleri
Ön
Dingil
Arka
Dingil
Fren
Sistemleri
Elektrik
Sistemi
Şasi & Sürücü
Kabini
Yakıt
Sistemi